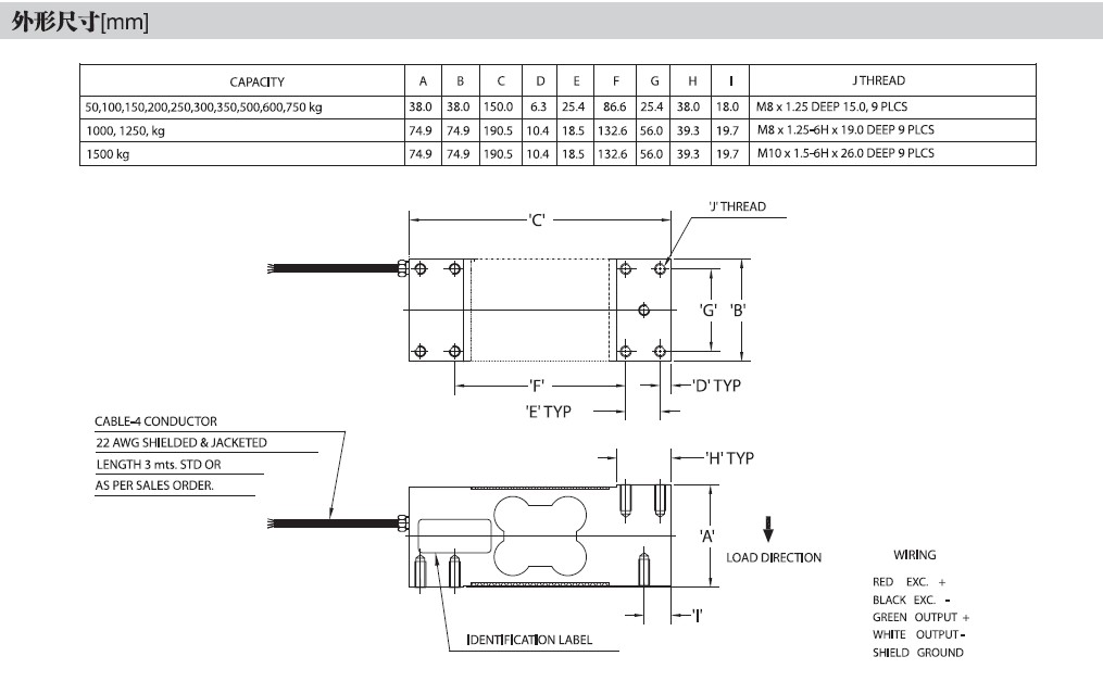
92001单点式传感器

量程:50~1500kg

合金钢结构

秤台尺寸:-50~750kg 600*600mm

          -1000~1250kg 750*750mm

          -1500kg 900*900mm

可选特性:不锈钢结构


标签: ,,

Comments are closed.