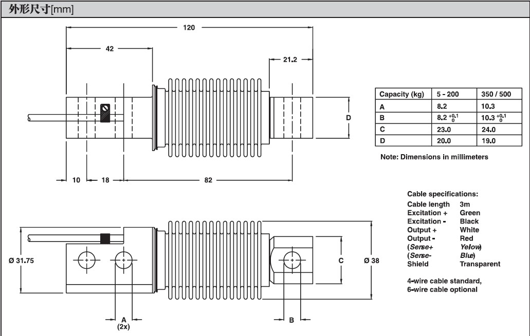
SHBxR单弯曲梁式传感器

额定量程:5~500kg

全焊封不锈钢结构

 防护等级IP68

取得OIML R-60 4000分度和NTEP class IIIL,10000分度认证

电流输出校准版本(SC版本)可保证多只传感器安装容易和精度

可选特性:取得ATEX和FM认证版本传感器可应用在具有爆炸可能的环境中


标签: ,,

Comments are closed.